注意:访问本站需要Cookie和JavaScript支持!请设置您的浏览器! 打开购物车 查看留言付款方式联系我们
初中电子 单片机教材一 单片机教材二
搜索上次看见的商品或文章:
商品名、介绍 文章名、内容
首页 电子入门 学单片机 免费资源 下载中心 商品列表 象棋在线 在线绘图 加盟五一 加入收藏 设为首页
本站推荐:
电击法消灭蟑螂实验
文章长度[1209] 加入时间[2006/7/1] 更新时间[2026/5/12 10:52:15] 级别[3] [评论] [收藏]

2003年,第4期,类别:电子制作


    我们这里(乌鲁木齐市)是雨少干燥地区。夏季极少能见到蚊子,但蟑螂却成灾。目前,大多数采用摆放毒饵的办法来消灭它们,虽然有一定效果,但同时也污染了环境。
    看了《电子报》刊登的有关电子灭蚊蝇器的文章后,立即联想到是否也可用此类装置来诱杀蟑螂?于是动手实验。现将实验情况向读者作一介绍。广大读者中如有灭杀蟑螂的良策妙法,请撰文交流。
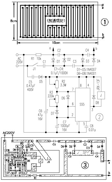
    首先制作一块电击板,用∮1mm的裸铜线在一块8cm×16cm的薄塑料板上平行布线,并穿孔固定,线与线间距为3mm。然后用同样的铜线将布好的铜线焊接起来,使其分成a、b两组,中间要留一空隙放诱饵。制好的电击板见图1。
    高压产生电路试验了几种方案,发现电压过低不易将爬上电击板的蟑螂击毙,过高虽然能将蟑螂击毙,但死蟑螂会粘在电路板上,时间稍长还会发出糊味。取得经验后,决定采用四倍压电路,如图2所示。其电压高低合适。将本装置插上电源,经过一个晚上,电击板上只有2只小蟑螂。于是开始耐心观察实验。经过观察,发现在接通电源的情况下,蟑螂会绕过电击板逃走,不往上爬。而拔掉电源,它们才会爬上电击板偷吃诱饵,这时迅速接通电源,可见蟑螂立刻被击毙。而且不会被粘住,也没有糊味。分析原因,可能是蟑螂对电击板周围的电场很敏感,使其不敢往上爬。
    根据以上设想,用555时基电路制作了一个自激振荡器,振荡器的电源由AC220V经C5降压、D5整流、C6滤波后获得。当555的役脚输出高电平时,继电器J不动作,电击板上无电压;当555的役脚输出低电平时,J吸合,电击板上有高压。调节R2与R3,使本装置电击板有电5秒、无电3分钟地间歇工作。这样一来,灭蟑螂效果显著增加。
    最后需说明的是,用本装置灭蟑螂,若同时利用蟑螂喜欢黑暗、油腻、甜味的习性,其收效会更显著。因此,本装置应放在黑暗、暖和的地方,最好用糖水或香油浸过的棉团做诱饵,有诱饵蟑螂会大量聚集。尤其是晚上,会有大量蟑螂进入这个“陷阱”,而一一被击毙。由于整个电路与市电相连,制作使用一定要注意安全!图3是电路板图。

                                     新疆  何立清



1、 本站不保证以上观点正确,就算是本站原创作品,本站也不保证内容正确。
2、如果您拥有本文版权,并且不想在本站转载,请书面通知本站立即删除并且向您公开道歉! 以上可能是本站收集或者转载的文章,本站可能没有文章中的元件或产品,如果您需要类似的商品请 点这里查看商品列表!
本站协议 | 版权信息 |  关于我们 |  本站地图 |  营业执照 |  发票说明 |  付款方式 |  联系方式
深圳市宝安区西乡五壹电子商行——粤ICP备16073394号-1;地址:深圳西乡河西四坊183号;邮编:518102
E-mail:51dz$163.com($改为@);Tel:(0755)27947428
工作时间:9:30-12:00和13:30-17:30和18:30-20:30,无人接听时可以再打手机13537585389