注意:访问本站需要Cookie和JavaScript支持!请设置您的浏览器! 打开购物车 查看留言付款方式联系我们
初中电子 单片机教材一 单片机教材二
搜索上次看见的商品或文章:
商品名、介绍 文章名、内容
首页 电子入门 学单片机 免费资源 下载中心 商品列表 象棋在线 在线绘图 加盟五一 加入收藏 设为首页
本站推荐:
检查大功率双向晶闸管触发能力的方法
文章长度[3382] 加入时间[2007/2/2] 更新时间[2026/2/2 16:26:21] 级别[0] [评论] [收藏]

 




由于小功率双向晶闸管的触发电流只有几十毫安,因此可用R×1档检查其触发能力。大功率双向晶闸管则不然,例如BA40-700型40A/700V双向晶闸管的IGT=100mA,利用R×1档已无法使管子触发。为此可采用图5.9.13所示电路,给万用表R×1档外接一节1.5V电池E′,将测试电压升到3V,同时增加测试电流(I′M=3V/R0)。

以500型万用表R×1档为例,将E′接在万用表“+”插孔与红表笔之间,这时总电压E+ E′=3V。该电阻档的欧姆中心值R0=10Ω,改装后的短路电流I′M=(E+ E′)/ R0=3V/10Ω=300 mA,实际可提供100 mA左右的测试电流。图1中的虚线表示在测量时T1极与G 极可以短路,也可以开路。具体检查步骤见5.9.7。

注意事项:

本方法对检查大功率单向晶闸管也适用。

检查双向晶闸管的好坏(方法之一)




双向晶闸管作电子开关使用,能控制交流负载(例如白炽灯)的通断,根据白炽灯的亮灭情况,可判断双向晶闸管的好坏。

电路如图1所示。将220V交流电源的任意一端接T2,另一端经过220V、100W白炽灯接T1。触发电路由开关S和门极限流电阻R组成。S选用耐压220VAC的小型钮子开关或拉线开关。R的阻值取100~330Ω,R值取得过大,会减小导通角。

下面个绍检查步骤:

第一步,先将S断开,此时双向晶闸管关断,灯泡应熄灭。若灯泡正常发光,则说明双向晶闸管T1- T2极间短路,管子报废;如果灯泡轻微发光,表明T1-T2漏电流太大,管子的性能很差。出现上述两种情况,应停止试验。

第二步:闭合S,因为门极上有触发信号,所以只需经过几微秒的时间,双向晶闸管即导通通,白炽灯上有交流电流通过而正常发光。具体工作过程分析如下:在交流电的正半周,设Ua>Ub,则T2为正,T1为负,G相对于T2也为负,双向晶闸管按照T2-T1的方向导通。在交流电的负半周,设Ua

综上所述,仅当S闭合时灯泡才能正常发光,说明双向晶闸管质量良好。如果闭合时灯泡仍不发光,证明门极已损坏。

注意事项:

(1)本方法只能检查耐压在400V以下的双向晶闸管。对于耐压值为100V、200V的双向晶闸管,需借助自耦调压器把220V交流电压降到器件耐压值以下。

(2)T1和T2的位置不得接反,否则不能触发双向晶闸管。

(3)具体到Ua、Ub中的哪一端接火线(相线),哪端接零线,可任选。

(4)利用双向晶闸管作电子开关比机械开关更加优越。因为只需很低的控制功率,就能控制相当大的电流,它不存在触点抖动问题,动作速度极快,在关断时也不会出现电弧现象。实际应用时,图5.9.14中的开关S可用固态继电器、干簧继电器、光电继电器等代替。

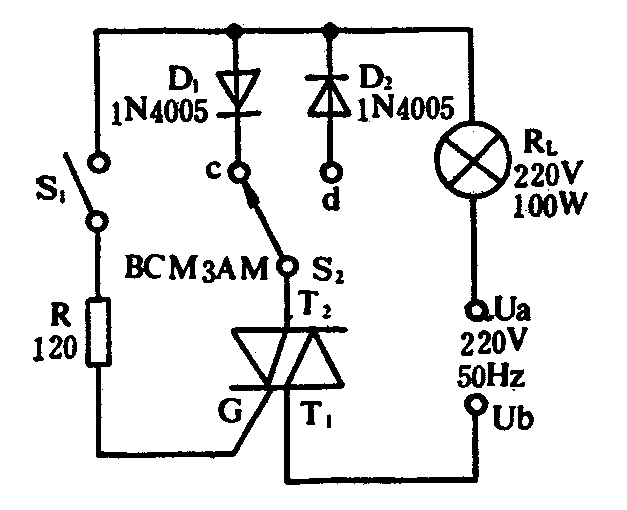
检查双向晶闸管的好坏(方法之二)




利用整流二极管,能够迅速判定双向晶闸管究竟沿哪个方向击穿短路。测试电路见图1。D1、D2是两只极性相反的硅整流二极管。假定在交流电的正半周,Ua>Ub,则D1导通,D2截止,电流往下;当负半周Ua

检测步骤如下:

第一步:断开S1,将S2拨置c时,灯泡应熄灭。若灯泡发光,但亮度明显降低(100W灯泡亮度仅相当于25W灯泡),说明双向晶闸管沿T2→T1的方向击穿短路。此时D1对220V交流电作半波整流,灯泡上的电流平均值减小,亮度降低。

第二步:断开S1,将S2拨至d,灯泡应熄灭。若灯泡发光,且亮度同上,说明器件沿T1→T2的方向击穿短路。此时靠D2进行半波整流后使灯泡发光。

第三步:按上述操作时灯泡均不亮,即可合上S1。灯泡发光,意味着双向晶闸管能够被触发,质量良好。否则是门极开路,或者极T1→T2间开路。

对于双向击穿的管子应彻底报废。若属于单向击穿短路(或断路),只要门极完好无损,仍可将这种双向晶闸管作为一只单向晶闸管使用。

1、 本站不保证以上观点正确,就算是本站原创作品,本站也不保证内容正确。
2、如果您拥有本文版权,并且不想在本站转载,请书面通知本站立即删除并且向您公开道歉! 以上可能是本站收集或者转载的文章,本站可能没有文章中的元件或产品,如果您需要类似的商品请 点这里查看商品列表!
本站协议 | 版权信息 |  关于我们 |  本站地图 |  营业执照 |  发票说明 |  付款方式 |  联系方式
深圳市宝安区西乡五壹电子商行——粤ICP备16073394号-1;地址:深圳西乡河西四坊183号;邮编:518102
E-mail:51dz$163.com($改为@);Tel:(0755)27947428
工作时间:9:30-12:00和13:30-17:30和18:30-20:30,无人接听时可以再打手机13537585389