| 注意:访问本站需要Cookie和JavaScript支持!请设置您的浏览器! • 打开购物车 • 查看留言 • 付款方式 • 联系我们 |
![]() |
| 首页 | 电子入门 | 学单片机 | 免费资源 | 下载中心 | 商品列表 | 象棋在线 | 在线绘图 | 加盟五一 | 加入收藏 | 设为首页 |
| 选择分类:当前分类——学单片机 相关联或者相类似的文章: 三十分钟一个小时学会单片机(9045) 什么是单片机?单片机有什么用? (8723) 如何用STC板将代码烧录进IC(8681) 怎样安装AT51编程板的USB转串口软件?(8206) 送给单片机爱好者——LED在线编码器(1814) 送给单片机爱好者——LED点阵在线编码器(1544) 单片机系统中的汉字显示(1492) 带语音报数功能的抢答器(1489) 用VB进行串口实时数据采集(1347) 用AT89C2051设计超声波测距仪(1171) 小小电子闹钟 生活学习良伴(1165) DS1820测温原理(1129) 几句代码实现控制摄像头(转)(1117) STC单片机选型指南(1111) 自制PIC单片机编程器(1105) USB转串口芯片CH340(1010) 快速学习单片机之黄金机会!(1010) 告戒购单片机开发实验板初学者(970) 新款实用旋转LED显示屏A(890) 使用市售 USB转RS232串口与PLC通信的测试报告 (881) 首页 前页 后页 尾页 本站推荐: | 4. 广告灯的左移右移 1. 实验任务
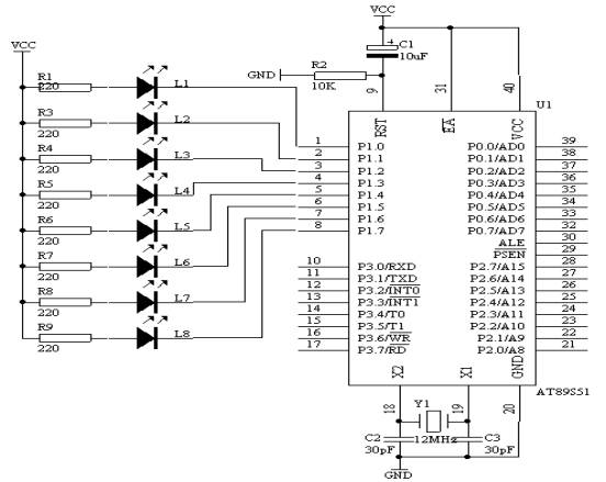
做单一灯的左移右移,硬件电路如图4.4.1所示,八个发光二极管L1-L8分别接在单片机的P1.0-P1.7接口上,输出“0”时,发光二极管亮,开始时P1.0→P1.1→P1.2→P1.3→┅→P1.7→P1.6→┅→P1.0亮,重复循环。
2. 电路原理图
图4.4.1
3. 系统板上硬件连线
把“单片机系统”区域中的P1.0-P1.7用8芯排线连接到“八路发光二极管指示模块”区域中的L1-L8端口上,要求:P1.0对应着L1,P1.1对应着L2,……,P1.7对应着L8。
4. 程序设计内容
我们可以运用输出端口指令MOV P1,A或MOV P1,#DATA,只要给累加器值或常数值,然后执行上述的指令,即可达到输出控制的动作。
每次送出的数据是不同,具体的数据如下表1所示
表1
5.
程序框图 图4.4.2
6. 汇编源程序
ORG 0
START: MOV R2,#8
MOV A,#0FEH
SETB C
LOOP: MOV P1,A
LCALL DELAY
RLC A
DJNZ R2,LOOP
MOV R2,#8
LOOP1: MOV P1,A
LCALL DELAY
RRC A
DJNZ R2,LOOP1
LJMP START
DELAY: MOV R5,#20 ;
D1: MOV R6,#20
D2: MOV R7,#248
DJNZ R7,$
DJNZ R6,D2
DJNZ R5,D1
RET
END
7. C语言源程序
#include <AT89X51.H>
unsigned char i;
unsigned char temp;
unsigned char a,b;
void delay(void)
{
unsigned char m,n,s;
for(m=20;m>0;m--)
for(n=20;n>0;n--)
for(s=248;s>0;s--);
}
void main(void)
{
while(1)
{
temp=0xfe;
P1=temp;
delay();
for(i=1;i<8;i++)
{
a=temp<<i;
b=temp>>(8-i);
P1=a|b;
delay();
}
for(i=1;i<8;i++)
{
a=temp>>i;
b=temp<<(8-i);
P1=a|b;
delay();
}
}
} 1、 本站不保证以上观点正确,就算是本站原创作品,本站也不保证内容正确。 2、如果您拥有本文版权,并且不想在本站转载,请书面通知本站立即删除并且向您公开道歉! |
|
本站协议 |
版权信息 |
关于我们 |
本站地图 |
营业执照 |
发票说明 |
付款方式 |
联系方式
深圳市宝安区西乡五壹电子商行——粤ICP备16073394号-1;地址:深圳西乡河西四坊183号;邮编:518102 E-mail:51dz$163.com($改为@);Tel:(0755)27947428 工作时间:9:30-12:00和13:30-17:30和18:30-20:30,无人接听时可以再打手机13537585389 |