| 注意:访问本站需要Cookie和JavaScript支持!请设置您的浏览器! • 打开购物车 • 查看留言 • 付款方式 • 联系我们 |
![]() |
| 首页 | 电子入门 | 学单片机 | 免费资源 | 下载中心 | 商品列表 | 象棋在线 | 在线绘图 | 加盟五一 | 加入收藏 | 设为首页 |
| 选择分类:当前分类——学单片机 相关联或者相类似的文章: 三十分钟一个小时学会单片机(9045) 什么是单片机?单片机有什么用? (8723) 如何用STC板将代码烧录进IC(8681) 怎样安装AT51编程板的USB转串口软件?(8206) 送给单片机爱好者——LED在线编码器(1814) 送给单片机爱好者——LED点阵在线编码器(1544) 单片机系统中的汉字显示(1492) 带语音报数功能的抢答器(1489) 用VB进行串口实时数据采集(1347) 用AT89C2051设计超声波测距仪(1171) 小小电子闹钟 生活学习良伴(1165) DS1820测温原理(1129) 几句代码实现控制摄像头(转)(1117) STC单片机选型指南(1111) 自制PIC单片机编程器(1105) USB转串口芯片CH340(1010) 快速学习单片机之黄金机会!(1010) 告戒购单片机开发实验板初学者(970) 新款实用旋转LED显示屏A(890) 使用市售 USB转RS232串口与PLC通信的测试报告 (881) 首页 前页 后页 尾页 本站推荐: | 19. “叮咚”门铃 1. 实验任务
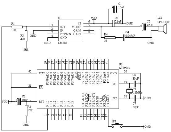
当按下开关SP1,AT89S51单片机产生“叮咚”声从P1.0端口输出到LM386,经过放大之后送入喇叭。
2. 电路原理图
![]() 图4.19.1
3. 系统板上硬件连线
(1. 把“单片机系统”区域中的P1.0端口用导线连接到“音频放大模块”区域中的SPK IN端口上;
(2. 在“音频放大模块”区域中的SPK OUT端口上接上一个8欧或者是16欧的喇叭;
(3. 把“单片机系统”区域中的P3.7/RD端口用导线连接到“独立式键盘”区域中的SP1端口上;
4. 程序设计方法
(1. 我们用单片机实定时/计数器T0来产生700HZ和500HZ的频率,根据定时/计数器T0,我们取定时250us,因此,700HZ的频率要经过3次250us的定时,而500HZ的频率要经过4次250us的定时。
(2. 在设计过程,只有当按下SP1之后,才启动T0开始工作,当T0工作完毕,回到最初状态。
(3. “叮”和“咚”声音各占用0.5秒,因此定时/计数器T0要完成0.5秒的定时,对于以250us为基准定时2000次才可以。
6. 汇编源程序
T5HZ EQU 30H
T7HZ EQU 31H
T05SA EQU 32H
T05SB EQU 33H
FLAG BIT 00H
STOP BIT 01H
SP1 BIT P3.7
ORG 00H
LJMP START
ORG 0BH
LJMP INT_T0
START: MOV TMOD,#02H
MOV TH0,#06H
MOV TL0,#06H
SETB ET0
SETB EA
NSP: JB SP1,NSP
LCALL DELY10MS
JB SP1,NSP
SETB TR0
MOV T5HZ,#00H
MOV T7HZ,#00H
MOV T05SA,#00H
MOV T05SB,#00H
CLR FLAG
CLR STOP
JNB STOP,$
LJMP NSP
DELY10MS: MOV R6,#20
D1: MOV R7,#248
DJNZ R7,$
DJNZ R6,D1
RET
INT_T0: INC T05SA
MOV A,T05SA
CJNE A,#100,NEXT
MOV T05SA,#00H
INC T05SB
MOV A,T05SB
CJNE A,#20,NEXT
MOV T05SB,#00H
JB FLAG,STP
CPL FLAG
LJMP NEXT
STP: SETB STOP
CLR TR0
LJMP DONE
NEXT: JB FLAG,S5HZ
INC T7HZ
MOV A,T7HZ
CJNE A,#03H,DONE
MOV T7HZ,#00H
CPL P1.0
LJMP DONE
S5HZ: INC T5HZ
MOV A,T5HZ
CJNE A,#04H,DONE
MOV T5HZ,#00H
CPL P1.0
LJMP DONE
DONE: RETI
END
7. C语言源程序
#include <AT89X51.H>
unsigned char t5hz;
unsigned char t7hz;
unsigned int tcnt;
bit stop;
bit flag;
void main(void)
{
unsigned char i,j;
TMOD=0x02;
TH0=0x06;
TL0=0x06;
ET0=1;
EA=1;
while(1)
{
if(P3_7==0)
{
for(i=10;i>0;i--)
for(j=248;j>0;j--);
if(P3_7==0)
{
t5hz=0;
t7hz=0;
tcnt=0;
flag=0;
stop=0;
TR0=1;
while(stop==0);
}
}
}
}
void t0(void) interrupt 1 using 0
{
tcnt++;
if(tcnt==2000)
{
tcnt=0;
if(flag==0)
{
flag=~flag;
}
else
{
stop=1;
TR0=0;
}
}
if(flag==0)
{
t7hz++;
if(t7hz==3)
{
t7hz=0;
P1_0=~P1_0;
}
}
else
{
t5hz++;
if(t5hz==4)
{
t5hz=0;
P1_0=~P1_0;
}
}
} 1、 本站不保证以上观点正确,就算是本站原创作品,本站也不保证内容正确。 2、如果您拥有本文版权,并且不想在本站转载,请书面通知本站立即删除并且向您公开道歉! |
|
本站协议 |
版权信息 |
关于我们 |
本站地图 |
营业执照 |
发票说明 |
付款方式 |
联系方式
深圳市宝安区西乡五壹电子商行——粤ICP备16073394号-1;地址:深圳西乡河西四坊183号;邮编:518102 E-mail:51dz$163.com($改为@);Tel:(0755)27947428 工作时间:9:30-12:00和13:30-17:30和18:30-20:30,无人接听时可以再打手机13537585389 |