| 注意:访问本站需要Cookie和JavaScript支持!请设置您的浏览器! • 打开购物车 • 查看留言 • 付款方式 • 联系我们 |
![]() |
| 首页 | 电子入门 | 学单片机 | 免费资源 | 下载中心 | 商品列表 | 象棋在线 | 在线绘图 | 加盟五一 | 加入收藏 | 设为首页 |
| 选择分类:当前分类——学单片机 相关联或者相类似的文章: 第一章 AT89S51单片机实验及实践系统板简介(441) 21. 拉幕式数码显示技术(440) 学习嵌入式技术的22绝技(437) [语音IC]ISD1420使用的单片机控制(437) 红外线遥控器解码程序(437) MSComm控件使用详解 (427) 一款简单的热水器控制电路设计(426) 26. 点阵式LED简单图形显示技术(423) 双路计数器加比较程序(413) 7. I/O并行口直接驱动LED显示(407) 23. 模拟计算器数字输入及显示(400) 18. “嘀、嘀、……”报警声(382) 关于单片机软件狗-平凡与张工的讨论(370) 谈单片机学习 (351) 2006单片机编程、实验、学习、开发、仿真板(312) KEELOQ滚动码编解码器与RFID(307) EZ编程器自制问答(306) 自制无源RS232-485转换器 (300) PLC和单片机一体工控板(280) ST Flash的管脚定义 (250) 首页 前页 后页 尾页 本站推荐: | 26. 点阵式LED简单图形显示技术 1. 实验任务
在8X8点阵式LED显示“★”、“●”和心形图,通过按键来选择要显示的图形。
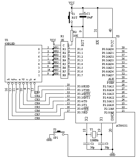
2. 电路原理图
图4.26.1
3. 硬件系统连线
(1). 把“单片机系统”区域中的P1端口用8芯排芯连接到“点阵模块”区域中的“DR1-DR8”端口上;
(2). 把“单片机系统”区域中的P3端口用8芯排芯连接到“点阵模块”区域中的“DC1-DC8”端口上;
(3). 把“单片机系统”区域中的P2.0/A8端子用导线连接到“独立式键盘”区域中的SP1端子上;
4. 程序设计内容
(1). “★”在8X8LED点阵上显示图如下图所示
1 2 3 4 5 6 7 8
12H,14H,3CH,48H,3CH,14H,12H,00H
(2). “●”在8X8LED点阵上显示图如下图所示
1 2 3 4 5 6 7 8
00H,00H,38H,44H,44H,44H,38H,00H
(3). 心形图在8X8LED点阵上显示图如下图所示
1 2 3 4 5 6 7 8
30H,48H,44H,22H,44H,48H,30H,00H
5. 汇编源程序
CNTA EQU 30H
COUNT EQU 31H
ORG 00H
LJMP START
ORG 0BH
LJMP T0X
ORG 30H
START: MOV CNTA,#00H
MOV COUNT,#00H
MOV TMOD,#01H
MOV TH0,#(65536-4000) / 256
MOV TL0,#(65536-4000) MOD 256
SETB TR0
SETB ET0
SETB EA
WT: JB P2.0,WT
MOV R6,#5
MOV R7,#248
D1: DJNZ R7,$
DJNZ R6,D1
JB P2.0,WT
INC COUNT
MOV A,COUNT
CJNE A,#03H,NEXT
MOV COUNT,#00H
NEXT: JNB P2.0,$
SJMP WT
T0X: NOP
MOV TH0,#(65536-4000) / 256
MOV TL0,#(65536-4000) MOD 256
MOV DPTR,#TAB
MOV A,CNTA
MOVC A,@A+DPTR
MOV P3,A
MOV DPTR,#GRAPH
MOV A,COUNT
MOV B,#8
MUL AB
ADD A,CNTA
MOVC A,@A+DPTR
MOV P1,A
INC CNTA
MOV A,CNTA
CJNE A,#8,NEX
MOV CNTA,#00H
NEX: RETI
TAB: DB 0FEH,0FDH,0FBH,0F7H,0EFH,0DFH,0BFH,07FH
GRAPH: DB 12H,14H,3CH,48H,3CH,14H,12H,00H
DB 00H,00H,38H,44H,44H,44H,38H,00H
DB 30H,48H,44H,22H,44H,48H,30H,00H
END
6. C语言源程序
#include <AT89X52.H>
unsigned char code tab[]={0xfe,0xfd,0xfb,0xf7,0xef,0xdf,0xbf,0x7f};
unsigned char code graph[3][8]={{0x12,0x14,0x3c,0x48,0x3c,0x14,0x12,0x00},
{0x00,0x00,0x38,0x44,0x44,0x44,0x38,0x00},
{0x30,0x48,0x44,0x22,0x44,0x48,0x30,0x00}
};
unsigned char count;
unsigned char cnta;
void main(void)
{
unsigned char i,j;
TMOD=0x01;
TH0=(65536-4000)/256;
TL0=(65536-4000)%256;
TR0=1;
ET0=1;
EA=1;
while(1)
{
if(P2_0==0)
{
for(i=5;i>0;i--)
for(j=248;j>0;j--);
if(P2_0==0)
{
count++;
if(count==3)
{
count=0;
}
while(P2_0==0);
}
}
}
}
void t0(void) interrupt 1 using 0
{
TH0=(65536-4000)/256;
TL0=(65536-4000)%256;
P3=tab[cnta];
P1=graph[count][cnta];
cnta++;
if(cnta==8)
{
cnta=0;
}
} 1、 本站不保证以上观点正确,就算是本站原创作品,本站也不保证内容正确。 2、如果您拥有本文版权,并且不想在本站转载,请书面通知本站立即删除并且向您公开道歉! |
|
本站协议 |
版权信息 |
关于我们 |
本站地图 |
营业执照 |
发票说明 |
付款方式 |
联系方式
深圳市宝安区西乡五壹电子商行——粤ICP备16073394号-1;地址:深圳西乡河西四坊183号;邮编:518102 E-mail:51dz$163.com($改为@);Tel:(0755)27947428 工作时间:9:30-12:00和13:30-17:30和18:30-20:30,无人接听时可以再打手机13537585389 |