注意:访问本站需要Cookie和JavaScript支持!请设置您的浏览器! 打开购物车 查看留言付款方式联系我们
初中电子 单片机教材一 单片机教材二
搜索上次看见的商品或文章:
商品名、介绍 文章名、内容
首页 电子入门 学单片机 免费资源 下载中心 商品列表 象棋在线 在线绘图 加盟五一 加入收藏 设为首页
 商品分类
※ 电子制作套件 ※
入门初学套件· 单片机应用套件
无线对讲话筒· 数字钟数字电路
收音功放套件· 功放套件
电话门铃电平· 万用表电源
LED节能灯套件· 遥控开关报警
竞赛实训设计· 传感器类套件
贴片练习套件· 显示屏套件
※ 电子实验套件 ※
单片机编程器· 初学实验套件
单片机产品· 实验板元件
LCD模块下载· 面包板
※ 电子工具 ※
仪器仪表· 电钻/钻头
焊接固定· 镊钳螺丝刀
工具套装· 元件盒胶袋
※ 电子电路板 ※
万能线路板· 感光敷铜板
收音功放成品· 其它成品板
单片机类光板· 印刷电路光板
※ 电子元器件 ※
电阻· 电容
电位器可调电阻· 二极管
三极管· 发光二极管
可控硅· 场效应管
电感线圈· 晶振滤波器
蜂鸣压垫片· 保险管灯泡
数码管点阵· 继电器干簧管
※ 贴片元器件 ※
贴片二极管· 贴片电阻/容
贴片三极管· 贴片常用IC
贴片40/74系· 贴片电感开关
贴片单片机·
※ 五金塑胶线材 ※
开关· IC插座
插头插座· 杜邦插接件
旋钮· 热缩管
电动机· 电子导线
连接线· 散热片
螺丝弹簧· 电池盒扣
电子制作盒·
※ 集成电路IC ※
单片机芯片· CD40系列IC
配单片机IC· 74LS系列IC
74HC系列IC· 运放耦合器
收发功放IC· 电源稳压IC
音乐动物IC· LED芯片
※ 模组传感器 ※
特色传感模块· 无线模块开关
传感测试探头· 气温湿传感器
※ 日常电子产品 ※
电源变压器· 图书管资料
功放收音机· 其它产品
喇叭· 音响炮筒
※ 特价电子 ※
新品优惠· 特价商品
库存回收· 停止供货
当前位置: 首页 >>> 【图片版】 【图文版】 【文字版

注:为了提高网速,图片可能被压缩! 图片仅供参考!
HR31湿度传感器
商城价格:¥3.00 元  免费注册有礼送
贵宾价格:¥2.55 元  加入贵宾更优惠
单件重量:5 克(仅供参考,包装重量另计)
  货源充足 支持零售   加入收藏  我要评论
点这里将商品放入购物车 

如果您喜欢该商品,您可以放入购物车!当您选好商品后,您可以留下您的地址和电话并提交订单,本站会按顺序处理!

请您放心,提交订单并不表示必需购买。 提交订单仅仅是信息交流的一种方法,仅仅只代表了您临时的潜在需求,您完全可以决定不购买,并且不需要任何理由。

注:本站图片仅供参考!因各种原因,图片与实物不一定相符,不便之处敬请谅解!我们会尽快改良!

 HR31 湿度传感器 温湿度计专用湿敏电阻

湿敏电阻器是一种对环境温度敏感的元件,它的电阻值能随着环境的相对温度变化而变化。
湿敏电阻器在电路中的文字符号用字母“R”或“RS”表示,图1-28是其电路图形符号。


(一)湿敏电阻器的结构特性及应用
1.湿敏电阻器的结构特性
湿敏电阻器一般由基体、电极和感温层等组成,如图所示。有的湿敏电阻器还设有防尘外壳。

基体采用聚碳酸酯板、氧化铝、电子陶瓷等不吸水、耐高温的材料制成。
感湿层为微孔型结构,具有电解质特性。根据感湿层使用的材料和配方不同,它分为正电阻湿度特性(即湿度增大时,电阻值减小)。

2.湿敏电阻器的应用 
湿敏电阻器广泛应用于洗衣机、空调器、录像机、微波炉等家用电器及工业、农业等方面作湿度检测、湿度控制用。
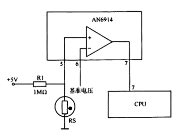
  湿敏电阻器的应用电路

3湿敏电阻器的主要参数
湿敏电阻器的主要参数有相对湿度、温度系数、灵敏度、测湿范围、湿滞效应、响应时间等。
1.相对温度  相对湿度是指在某一温度下,空气中所含水蒸气的实际密度与同一温度下饱和密度之比,通常用“RH”表示。例如:20%RH,则表示空气相对湿度为20%。
2.湿度温度系数  湿度温度系数是指在环境湿度恒定时,湿敏电阻器在温度每变化1℃时,其湿度指示的变化量。
3.灵敏度  灵敏度是指湿敏电阻器检测湿度时的分辨率。
4.测湿范围  测湿范围是指湿敏电阻器的湿度测量范围。
5.湿滞效应  湿滞效应是指湿敏电阻器在吸湿和脱湿过程中电气参数表现的滞后现象。
6.响应时间  响应时间是指湿敏电阻器在湿度检测环境快速变化时,其电阻值的变化情况(反应速度)。

HR31型湿度传感器

 特点

优良的线性

高性价比

耗低

测量范围宽

响应迅速

抗污染能力强

性能稳定

 

HR31湿敏电阻是采用有机高分子材料的一种新型的湿度敏感元件,感湿范围宽,长期使用性能稳定,可以应用于仓储、车厢、居室内空气质量控制、楼宇自控、医疗、工业控制系统及科研领域等广泛的应用。

 

技术参数

工作范围

20…95%RH  0…60

供电电压

1.5V AC(Max 正弦波)

工作频率

500Hz…2kHz

额定功率

0.2mW(Max正弦波)

中心值 at251kHz 1V AC 60%RH正弦波)

31.0kΩ

阻抗范围(at251kHz 1V AC 60%RH正弦波)

19.8…50.2kΩ

湿度检测精度

±5%RH


查看和发表评论
管理员一般会在8-48小时内回复,会删除无意义的留言以及重复留言,请保证留言标题清晰,内容明确!
1、评论不代表本站观点。 另外,即使是本站原创作品,本站也不保证内容绝对正确。
2、如果您拥有本文版权,并且不想在此处发表,请书面通知本站立即删除并且向您公开道歉!

2010年优惠大酬宾:凡在本商城免费注册并且提交订单购买商品者,本站都会例行赠送《电脑钻孔的万能线路板一》一块! 查看详情
本站协议 | 版权信息 |  关于我们 |  本站地图 |  营业执照 |  发票说明 |  付款方式 |  联系方式
深圳市宝安区西乡五壹电子商行——粤ICP备16073394号-1;地址:深圳西乡河西四坊183号;邮编:518102
E-mail:51dz$163.com($改为@);Tel:(0755)27947428
工作时间:9:30-12:00和13:30-17:30和18:30-20:30,无人接听时可以再打手机13537585389