注意:访问本站需要Cookie和JavaScript支持!请设置您的浏览器! 打开购物车 查看留言付款方式联系我们
初中电子 单片机教材一 单片机教材二
搜索上次看见的商品或文章:
商品名、介绍 文章名、内容
首页 电子入门 学单片机 免费资源 下载中心 商品列表 象棋在线 在线绘图 加盟五一 加入收藏 设为首页
 商品分类
※ 电子制作套件 ※
入门初学套件· 单片机应用套件
无线对讲话筒· 数字钟数字电路
收音功放套件· 功放套件
电话门铃电平· 万用表电源
LED节能灯套件· 遥控开关报警
竞赛实训设计· 传感器类套件
贴片练习套件· 显示屏套件
※ 电子实验套件 ※
单片机编程器· 初学实验套件
单片机产品· 实验板元件
LCD模块下载· 面包板
※ 电子工具 ※
仪器仪表· 电钻/钻头
焊接固定· 镊钳螺丝刀
工具套装· 元件盒胶袋
※ 电子电路板 ※
万能线路板· 感光敷铜板
收音功放成品· 其它成品板
单片机类光板· 印刷电路光板
※ 电子元器件 ※
电阻· 电容
电位器可调电阻· 二极管
三极管· 发光二极管
可控硅· 场效应管
电感线圈· 晶振滤波器
蜂鸣压垫片· 保险管灯泡
数码管点阵· 继电器干簧管
※ 贴片元器件 ※
贴片二极管· 贴片电阻/容
贴片三极管· 贴片常用IC
贴片40/74系· 贴片电感开关
贴片单片机·
※ 五金塑胶线材 ※
开关· IC插座
插头插座· 杜邦插接件
旋钮· 热缩管
电动机· 电子导线
连接线· 散热片
螺丝弹簧· 电池盒扣
电子制作盒·
※ 集成电路IC ※
单片机芯片· CD40系列IC
配单片机IC· 74LS系列IC
74HC系列IC· 运放耦合器
收发功放IC· 电源稳压IC
音乐动物IC· LED芯片
※ 模组传感器 ※
特色传感模块· 无线模块开关
传感测试探头· 气温湿传感器
※ 日常电子产品 ※
电源变压器· 图书管资料
功放收音机· 其它产品
喇叭· 音响炮筒
※ 特价电子 ※
新品优惠· 特价商品
库存回收· 停止供货
当前位置: 首页 >>> 【图片版】 【图文版】 【文字版

注:为了提高网速,图片可能被压缩! 图片仅供参考!
多功能电话机套件特价
商城价格:¥10.00 元  免费注册有礼送
贵宾价格:¥8.50 元  加入贵宾更优惠
单件重量:500 克(仅供参考,包装重量另计)
  货源充足 支持零售   加入收藏  我要评论
点这里将商品放入购物车 

如果您喜欢该商品,您可以放入购物车!当您选好商品后,您可以留下您的地址和电话并提交订单,本站会按顺序处理!

请您放心,提交订单并不表示必需购买。 提交订单仅仅是信息交流的一种方法,仅仅只代表了您临时的潜在需求,您完全可以决定不购买,并且不需要任何理由。

注:本站图片仅供参考!因各种原因,图片与实物不一定相符,不便之处敬请谅解!我们会尽快改良!

来电显示多功能电话机套件是目前世界上最先进的微电脑控制技术,集来电显示和多功能电话机一体。本产品各项指标均符合国家标准。根据不同客户需求,本套件所有元器件是从工厂拿货过来的,然后本站自行配成一套一套的,并且,原理图、清单,制作资料说明,都是本站整理配备的。所以此是电话机时很成熟的产品,欢迎有需求者制作学习。

主要功能:

1、FSK/DTMF多制式兼容              7、在忘记或挂机不好时自动收线

2、来电、去电号码解查、回拨        8、挂机预拨号、改错功能

3、五级显示亮度调节功能            9、时钟显示及通话时间自动计时

4、长途锁控功能                    10、全免提拨号通话及免提音量调节

5、电子万能年历、电子闹钟          11、四级铃声音量调节

6、16铃声及贵宾铃选择              12、防盗打、防雷击、防电磁干扰

来电显示及多功能电话机制作说明

一、熟悉电路原理图,尽量看懂各部分(元)件的作用。

二、按照材料表核对各元器件的数量和规格,必要时可用仪表来测量与核对。

三、安装:

1、装配、焊接元件到三块电路板上: 1显示组件板; 2主机板; 3按键板。

按照元件低到高开始装起,先装电阻、二极管、三极管、瓷片电容、涤纶电容、电解电容。

安装、焊接好全部元件,仔细检查一下各个部分,不能有连锡、虚焊或漏焊的。发现问题及时修正。

2、手柄部分:

   手柄部分元件简单,注意咪头的正负极,红色接正,绿色接负极,两条长线黑色和黄色线接150Ω喇叭,150Ω喇叭不分正负极。

3、座机底壳部分:

1) 623K2C外线插座,外线插座已带两根线,红线接板上标注有TIP(跟D3负极接在同一点上)的位置,绿线接到标注有RING(跟D4负极接在同一点上)的位置;

2)连接616E4C听筒插座,听筒插座已带四根线,红线、黄线、绿线和黑线的接法。注意看下面的接线图;

3)焊喇叭线,喇叭用22CM白色2根,喇叭线可以不分正负;

4)显示屏控制板和主板还要焊一条黑色线连起来,给电源指示灯供电。

5 13P排线将按键板和显示组件连起来,注意上面标注要对应,其中2条可以拆开直接焊在红色的发光二极管上,电源指示用;将指示灯要插到面壳的孔里面,这样指示灯就比较明显。11条接到按键板上。如下图所示

 

6)给液晶显示屏撕掉保护膜,给双面胶撕掉保护层,贴到显示屏上,然后把液晶显示屏放到面壳上,使其紧贴到位后再用板对齐螺丝孔,轻轻压下去,让双面胶紧贴在液晶显示屏和控制板之间,打好螺丝。注意显示屏的板一边是用铁片定位的,跟喇叭的铁片一样。

 

7)装喇叭,喇叭放好后,用固定压片压好打上螺丝。请注意,本站用的是上面的这种压片,跟其它图片的不一样。请看上图所示

8)装摘机传动键→给面壳上相应位置放上22个按钮,再对齐放好1块导电胶,把面壳反放到桌面,注意不要让按键掉出来,放上按键板打好螺丝。如图所示:

9)在显示组件的另一头焊好18P*140MM排线,另一端焊接到主板上。板上标注有多出一个接线位置,显示屏控制板上是LED+的位置不装,主板上是  靠着Q4 边的脚不装,注意不要接错。

104P*60MM排排线接一端接开关,一端插到主板上,注意位置要接对。并用螺丝固定好电路板在底壳上。 

11)将外线插座和听筒插座装到底壳相应位置固定好。

4、测试总装:

(1) 合拢机壳上、下部分。

(2) 用曲线一端插入座机旁边的插座,另一端插入手柄的插座。

(3) 用两芯直线插入外线插座,另一端叉头与市话网连接。

(4) 提起手柄或按免提键,测试拨号,接听,振铃声,话筒发话,听筒喇叭发音等各个功能,都正常后既可打上螺丝固定。有关功能详细说明请看说明书。

 

成品如下图所示:

尺寸大小如下图所示:

元件清单如下图所示:

 

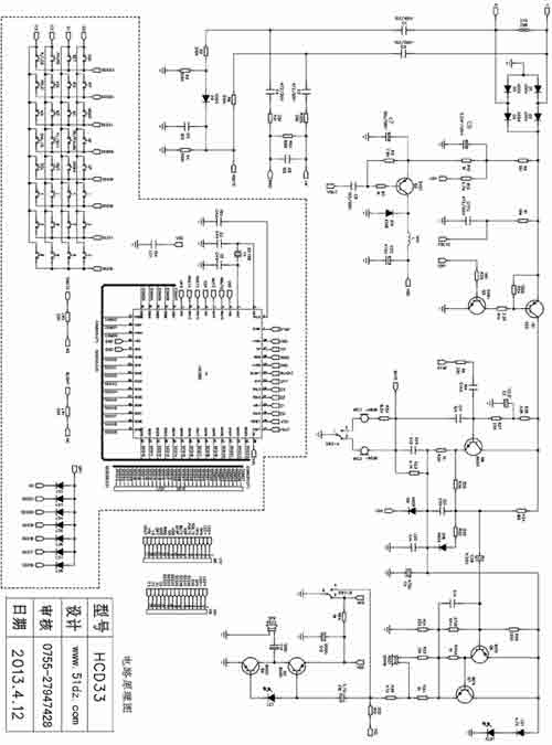
原理图如下:

 

 

套件详细资料:印刷电路板,原理图,元件清单,元件,制作说明、外壳等等。

 

制作安装资料下载:

大电话机安装步骤33.pdf 946.55KB 点击下载


查看和发表评论
管理员一般会在8-48小时内回复,会删除无意义的留言以及重复留言,请保证留言标题清晰,内容明确!
1、评论不代表本站观点。 另外,即使是本站原创作品,本站也不保证内容绝对正确。
2、如果您拥有本文版权,并且不想在此处发表,请书面通知本站立即删除并且向您公开道歉!

2010年优惠大酬宾:凡在本商城免费注册并且提交订单购买商品者,本站都会例行赠送《电脑钻孔的万能线路板一》一块! 查看详情
本站协议 | 版权信息 |  关于我们 |  本站地图 |  营业执照 |  发票说明 |  付款方式 |  联系方式
深圳市宝安区西乡五壹电子商行——粤ICP备16073394号-1;地址:深圳西乡河西四坊183号;邮编:518102
E-mail:51dz$163.com($改为@);Tel:(0755)27947428
工作时间:9:30-12:00和13:30-17:30和18:30-20:30,无人接听时可以再打手机13537585389