PIC系列单片机数据存储器的特点和功能(下)

 

    3   A/D转换寄存器 这里摘录一段笔者从网上下载的用PIC16F877芯片(带Flash存储器的)完成有关A/D转换的源程序部分指令,并用它说明有关A/D转换寄存器在指令中的用法。这里先引用部分源程序,源程序中的注释是笔者按照指令在程序中的作用所加的注释(不是某条指令的直接功能),这是初学者读以下指令时应注意的。A/D转换器部分源程序清单如下:
  DEMO 877ASM
  List P=16F877
  org   0x00    ;复位向量
  NOP        ;空操作
Start Banksel  PORTC   ;选择PORTC所在
              ;数据存储器的存储
             ;体(实为Bank0)
  CLRF     PORTC   ;对RC口清零
  MOVLW B′01000001′  ;A/D转换时钟选
             ;择FOSC/8,打开
             ; A/D转换器
  MOVWF ADCON0   ;设定了A/D转换
             ;操作部分参数
  Banksel  OPTION_REG ;选择OPTION所在
              ;数据存储器的存储             ;体(实为Bank1)
  MOVLW B′10000111′  ;设置预分频器TM
             ; R0,分频率1∶256
  MOVWF OPTION   ;完成上条指令设置
  CLRF  TRISC     ;设定RC口(8位)
             ;为输出
  MOVLW B′0001110′  ;选中模拟量通道1
             ;(RA1/AN1)
  MOVWF ADCON1    ;模拟基准电压
VREF为芯片电源电压,选择通道1(RA1/AN1)完成
main …
  要阅读上述的指令,读者还需了解以下必要的补充知识。
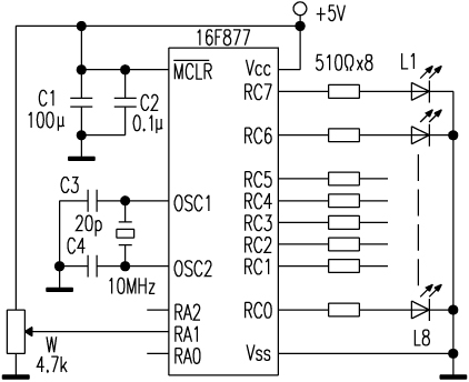
  (1)关于用PIC16F877作A/D转换器。PIC16F877单片机是具有多通道模拟量输入的8位A/D转换器。上述的源程序是利用该PIC产品作A/D转换的一种实验程序,其实验目的是用PIC16F877来实现一个通道的8位A/D转换,并将转换结果以二进制形式经RC口输出再由LED显示。实验的电路原理如附图(笔者根据源程序而绘出的PIC16F877A/D转换硬件电路图)所示。
  (2)编制与A/D转换器有关的专用寄存器指令。要读懂上述的源程序,应根据以下的线索:1)把握源程序的编写惯例;2)选择RC口和对它清零;3)给A/D控制寄存器ADCON0的各位置数,达到A/D转换时选择A/D位的采样时间,即注释中的A/D时钟选择;4)选择专用寄存器Option并给它各位置数,达到选择预分频器TMR0和确定其分频率(1∶256);5)设定RC口为输出,以保证LED显示;6)给A/D控制器ADCON1的各位置数,以确定PIC1F877的RA1口为模拟量的输入通道。并选中芯片电源作基准电压。读者若需深入了解A/D控制寄存器ADCON0和ADCON1的各位详细功能,请参看有关PIC单片机书籍的详细介绍。
  A/D转换的主程序(main)约有13条,将在本版PIC系列专题的后期结合实验板的编程器介绍。PIC系列单片机的其它专用寄存器,如TRISA、STATUS Bank等,本报在前几期有关PIC的文中均已介绍过。  

成都 丁锦元



 

      

以上资料来自于互联网!编辑整理:五一电子加油站;网址:http://www.51dz.com
欢迎光临五一电子商城!免费学习电子技术,面向全国邮购电子元件、实验套件!